Магазин запчастей для бытовой техники - Arlos
Москва
close
Выберите ваш регион
АбаканАлександровАльметьевскАнгарскАрзамасАрмавирАртемАрхангельскАстраханьАчинскБалаковоБалашихаБеларусьБелгородБердскБерезникиБийскБлаговещенскБратскБрянскВеликий НовгородВидноеВладивостокВладикавказВладимирВолгоградВолгодонскВолжскийВологдаВолховВоркутаВоронежВоскресенскВыборгГатчинаГеленджикГрозныйДедовскДербентДзержинскДзержинскийДимитровградДмитровДолгопрудныйДомодедовоДонецкЕвпаторияЕгорьевскЕкатеринбургЕлецЕссентукиЖелезногорскЖелезнодорожныйЖуковскийЗеленоградЗлатоустИвановоИвантеевкаИжевскИркутскИстраЙошкар-ОлаКазаньКалининградКалугаКаменск-УральскийКамышинКаспийскКемеровоКерчьКировКисловодскКлинКовровКоломнаКомсомольск-на-АмуреКопейскКоролёвКостромаКотельникиКрасногорскКраснодарКраснознаменскКрасноярскКурганКурскКызылЛенинск-КузнецкийЛипецкЛобняЛыткариноЛюберцыМагнитогорскМайкопМалаховкаМахачкалаМиассМоскваМурманскМуромМытищиНабережные ЧелныНазраньНальчикНаро-ФоминскНахабиноНаходкаНевинномысскНефтекамскНефтеюганскНижневартовскНижнекамскНижний НовгородНижний ТагилНовокузнецкНовокуйбышевскНовомосковскНовороссийскНовосибирскНовоуральскНовочебоксарскНовочеркасскНовошахтинскНовый УренгойНогинскНорильскНоябрьскОбнинскОдинцовоОктябрьскийОмскОрелОренбургОрехово-ЗуевоОрскПавловский ПосадПензаПервоуральскПермьПетрозаводскПетропавловск-КамчатскийПодольскПрокопьевскПсковПушкиноПятигорскРаменскоеРеутовРостов-на-ДонуРубцовскРыбинскРязаньСакиСалаватСамараСанкт-ПетербургСаранскСаратовСевастопольСеверодвинскСеверскСергиев ПосадСерпуховСимферопольСмоленскСосновый БорСочиСтавропольСтарый ОсколСтерлитамакСтупиноСургутСызраньСыктывкарТаганрогТамбовТверьТихвинТольяттиТомилиноТомскТроицкТулаТюменьУлан-УдэУльяновскУссурийскУсть-ИлимскУфаУхтаФеодосияФрязиноХабаровскХанты-МансийскХасавюртХимкиЧебоксарыЧелябинскЧереповецЧеркесскЧеховЧитаШахтыЩелковоЭлектростальЭлистаЭнгельсЮжно-СахалинскЯкутскЯлтаЯрославль
  • - бесплатно по РФ
    Автоперезвон. Работает по принципу: Вы позвонили на номер, мы сбрасываем звонок и перезваниваем через 3 секунды.
  • - по Москве
  • 8 (925) 663-83-63

Call-центр

пн-вс: 10:00-19:00

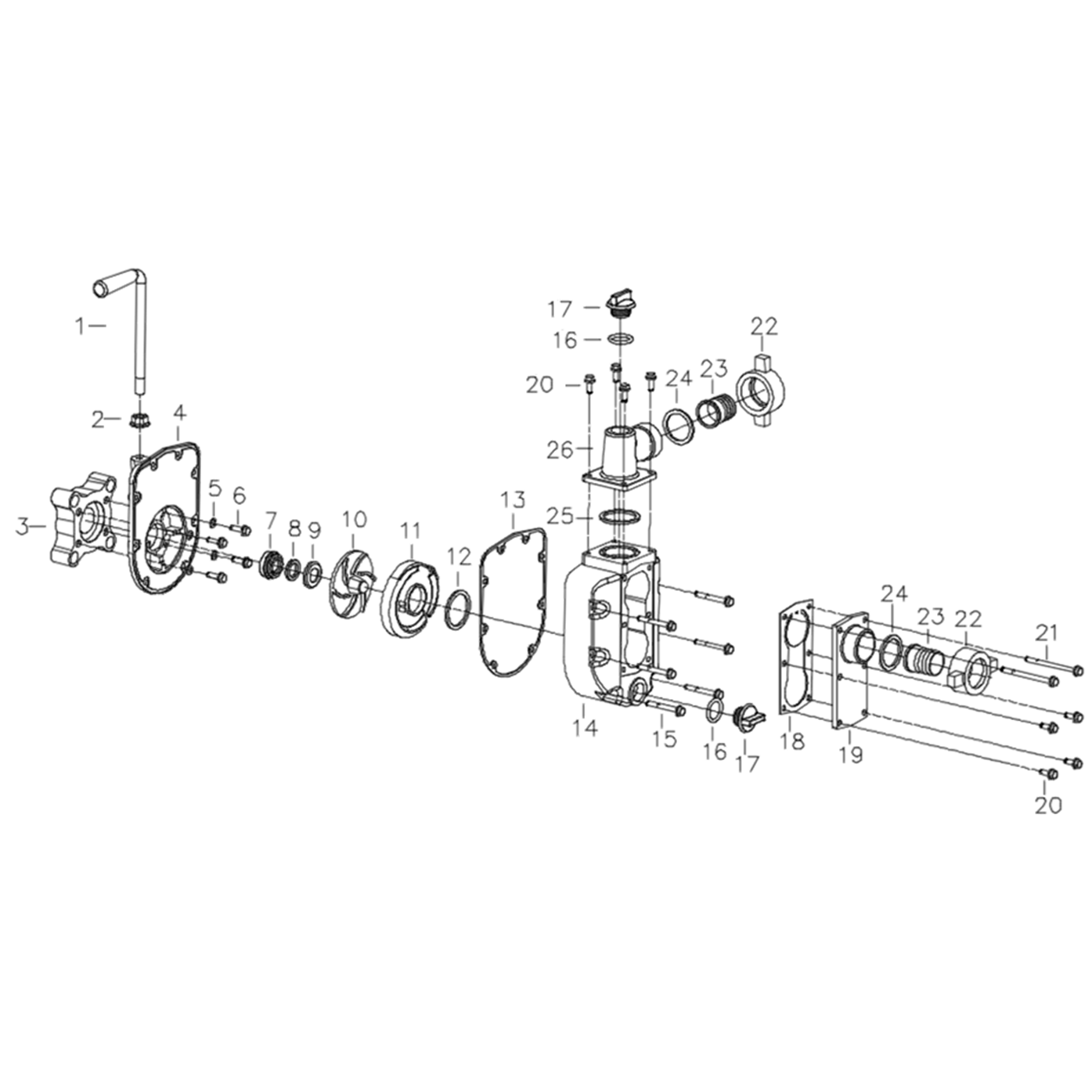
Мотопомпа бензиновая МПЧ-350-40

Данная модель имеет несколько схем

NАртикулНазваниеСрок отгрузкиЦенаКупить
1.1 N000-028-432 Рукоятка
1.10 N000-028-435 Колесо рабочее 891 р.
1.11 N000-028-436 Аппарат направляющий
1.12 N000-028-437 Прокладка
1.13 N000-028-448 Прокладка
1.14 N000-028-438 Корпус насоса
1.16 N000-028-449 Кольцо уплотнительное
1.17 N000-028-439 Заглушка
1.18 N000-028-444 Клапан обратный
1.19 N000-028-445 Фланец патрубка всасывающего
1.22 N000-028-443 Гайка накидная
1.23 N000-028-442 Штуцер елочка
1.24 N000-028-451 Прокладка
1.25 N000-028-441 Прокладка
1.26 N000-028-440 Патрубок нагнетающий
1.3 N000-028-446 Фланец
1.4 N000-028-447 Крышка насоса
1.7 N000-028-452 Сальник керамический (правая часть)
1.8 N000-028-453 Кольцо керамического сальника
1.9 N000-028-450 Кольцо резиновое керамического сальника
2.1 N000-028-269 Цилиндр D52
2.11 N000-028-369 Трубка сапуна
2.12 N000-028-628 Магнето H=71 h=56 d=32 L=240 1.138 р.
2.17 N000-020-134 Болт M6x12
2.18 N000-028-503 Шпилька
2.19 N000-028-502 Шпилька
2.21 N000-028-619 Сальник D30хd17х6 64 р.
2.23 N000-028-523 Прокладка
2.25 N000-028-515 Штифт
2.28 N000-028-429 Свеча зажигания E5TC 216 р.
2.3 N000-028-256 Головка цилиндра
2.4 N000-028-253 Прокладка головки цилиндра
2.5 N000-028-270 Основание
2.6 N000-028-258 Крышка клапанная
2.7 N000-028-257 Сепаратор
2.8 N000-028-259 Прокладка клапанной крышки
2.9 V000-002-687 Датчик уровня масла поплавковый 1.321 р.
3.1 N000-028-272 Крышка картера
3.10 N000-020-217 Болт M6x28
3.11 N000-028-265 Пробка слива масла
3.13 N000-028-617 Шайба D12.5xd17x1.0
3.19 N000-028-514 Шплинт
3.2 N000-028-263 Прокладка картера
3.20 N000-009-927 Подшипник шариковый 6203 открытый (40х17х12) C&U 571 р.
3.3 N000-028-389 Крышка-щуп маслозаливной горловины с прокладкой
3.4 N000-028-339 Регулятор оборотов центробежный в сборе D43 d6 Z27 179 р.
3.9 N000-028-329 Рычаг регулятора оборотов
4.1 N000-028-397 Крыльчатка 170 р.
4.10 N000-028-609 Клипса 2x70
4.2 N000-028-401 Кожух маховика
4.3 N000-028-392 Кожух
4.4 N000-028-399 Чашка-храповик
4.5 N000-028-524 Клипса
4.6 N000-028-322 Маховик
4.7 V000-002-685 Выключатель зажигания 179 р.
4.9 N000-028-519 Шпонка
5.1 N000-028-639 Кольца поршневые комплект D52
5.1-1 N000-028-312 Кольцо компрессионное
5.1-2 N000-028-308 Кольцо компрессионное
5.1-3 N000-028-304 Кольцо маслосъемное
5.10 N000-028-252 Клапан выпускной
5.11 N000-028-275 Толкатель (пара)
5.12 N000-028-243 Пружина клапанная
5.13 N000-028-246 Тарелка клапанная
5.14 N000-028-245 Сухарь
5.2 N000-028-296 Поршень D52
5.3 N000-028-298 Палец поршня
5.4 N000-028-300 Кольцо стопорное
5.5 N000-028-286 Шатун в сборе
5.6 N000-028-316 Коленвал в сборе
5.7 N000-028-280 Распредвал
5.8 N000-028-281 Шестерня
5.9 N000-028-250 Клапан впускной
6.1 N000-028-403 Стартер в сборе 1.065 р.
6.10 N000-028-424 Направляющая храпового механизма
6.11 N000-028-405 Рукоятка стартера
6.12 N000-028-407 Шнур стартера
6.13 N000-028-426 Пластина
6.14 N000-028-414 Болт специальный
6.2 N000-028-420 Корпус стартера
6.3 N000-028-416 Шкив стартера
6.4 N000-028-422 Кулачок
6.5 N000-028-425 Ось стартера
6.8 N000-028-409 Пружина сжатия
6.9 N000-028-411 Пружина
7.1 N000-028-334 Кулиса регулятора оборотов
7.10 N000-028-352 Пружина
7.12 N000-028-499 Болт специальный
7.13 N000-028-596 Гайка барашек M5
7.2 N000-028-332 Пружина
7.3 N000-028-346 Узел настройки оборотов
7.4 N000-028-353 Рукоятка
7.5 N000-028-357 Пластина
7.7 N000-028-356 Рычаг
7.8 N000-028-354 Скоба крепежная
8.11 N000-028-325 Теплоизолятор
8.12 N000-028-367 Прокладка паронитовая
8.13 N000-028-324 Прокладка паронитовая
8.14 N000-028-365 Прокладка
8.15 N000-028-525 Тяга дроссельной заслонки
8.16 N000-028-526 Пружина дроссельной заслонки
8.8 N000-028-338 Карбюратор 2.181 р.
9.1 N000-028-387 Глушитель
9.2 N000-028-385 Кожух передний
9.3 N000-028-383 Кожух задний
9.4 N000-028-382 Прокладка
10.1 N000-028-380 Элемент фильтрующий воздушный
10.2 N000-028-375 Решетка пластиковая
10.3 N000-028-378 Корпус воздушного фильтра
10.4 N000-028-373 Крышка воздушного фильтра
10.6 UM05-000-005 Гайка M5 92 р.
11.1 N000-028-358 Бензобак 2.542 р.
11.2 N000-028-361 Крышка топливного бака
11.3 N000-028-360 Фильтр заливной горловины бака
11.5 N000-028-363 Штуцер
11.6 N000-028-522 Топливопровод
Найдено товаров: 116
1
▲ Наверх
0
8 (925) 663-83-63

Call-центр

пн-вс: 10:00-19:00

НАЙТИ ПО МОДЕЛИ
Введите номер заказа
Введите номер своего заказа, что бы узнать его текущий статус.
Что бы получить доступ к расширенным функциям, пройдите не сложную регистрацию. Зарегистрироваться